வகை:100A ஒற்றை-கட்ட 4P ரயில் வகை லாச்சிங் ரிலே
மதிப்பிடப்பட்ட மின்னோட்டம்:100A
இயக்கி மின்னழுத்தம்:6VDC-48VDC
மாதிரி எதிர்ப்பு:200 மைக்ரோ ஓம்ஸ் (μΩ)
நிறுவல் முறை:நிலையான DIN ரயில் நிறுவல்
இயக்க வெப்பநிலை வரம்பு:-20°C முதல் 60°C வரை
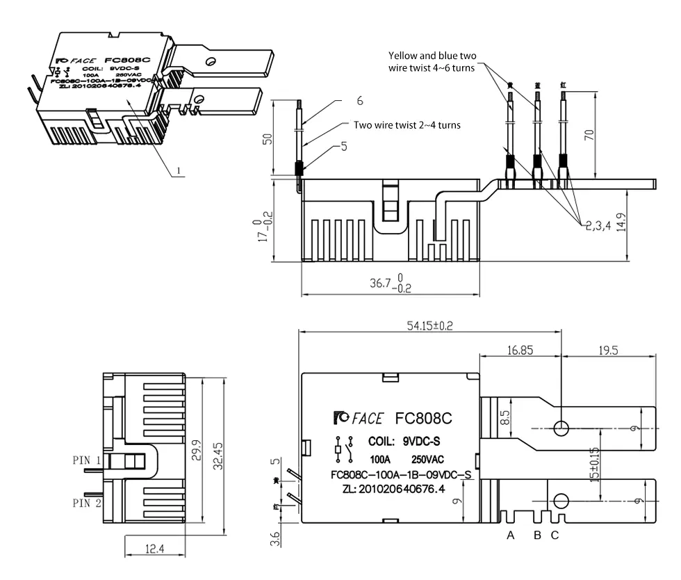
பரிமாணங்கள்:குறிப்பிட்ட பரிமாணங்களுக்கான தயாரிப்பு வரைபடங்களைப் பார்க்கவும்




















